1、由閥開啟到閥關閉:
夾緊電機動作,帶動絲桿作逆時針轉動,閥體松開到位(指標燈顯示),驅動電機動作,帶動閘板作逆時針轉動到位,閘板關閉到位(指示燈顯示),夾緊電機動作,帶動絲桿作順時針轉動,閥體夾緊到位(指示燈顯示)完成閥門由開啟到關閉的全過程。
2、閥門由關閉到開啟:
夾緊電機動作,帶動絲桿作逆時針轉動,閥體松開到位(指標燈顯示),驅動電機動作,帶動閘板作順時針轉動,閘板開啟到位,(指示燈顯示)完成閥門由關閉到開啟的全過程。
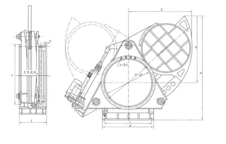
型號:F943X
連接形式:法蘭
主體材料:碳鋼,不銹鋼
公稱通徑:100-3500
適用介質:煤氣、易燃有害氣體
密封形式:軟密封
外形:中型
流動方向:單向
驅動方式:電動


版權所有:博納斯威閥門股份有限公司 地 址:天津市寶坻區九園工業園5號路
版權所有:博納斯威閥門股份有限公司
地 址:天津市寶坻區九園工業園5號路